Thông số kỹ thuật sản phẩm
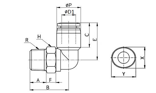
ØP: 11.2 mm
H(Hex): 10 mm
ORIFICE: 4 mm
Hình Dáng: Cong 90°
Kích Thước Y: 13 mm
Kích Thước X: 11 mm
Dùng Cho Ống: 6 mm
Chiều Dài (E): 18 mm
Size Ren Ngoài: 1/8″
Kích Thước (F): 5 mm
Kích Thước (C): 15.5 mm
Kích Thước (B): 18.9 mm







Đánh giá
There are no Đánh giá yet